•產品描述:U1319是一種高頻,同步,整流,降壓,開關模式轉換器,內部功率mosfet。它提供了一個非常緊湊的解決方案,在寬輸入供電范圍內提供3A最大輸出電流,具有出色的負載和線路調節。ECOT控制操作提供了非常快的瞬態響應和簡單的環路設計以及非常嚴格的輸出調節。U1319需要最少數量的現成外部組件,并且可以在節省空間的SOT23-6封裝中使用。
•主要特點:寬4.5V至16V工作輸入范圍;3A最大輸出電流;500KHz開關頻率;ECOT模式控制與快速瞬態響應;內置過電流限制;內置過壓保護;連續傳導模式(CCM);內部軟啟動;70mQ/50mQ低RDS(ON)內部功率mosfet;輸出可調從0.6V;無肖特基二極管所需;短保護與hicup模式;集成內部補償;熱關機;可在SOT23-6包;-40'C到+85°C的溫度范圍
•典型應用:數字機頂盒(STB);平板個人電腦(Pad);平板電視和顯示器;Wi-Fi路由器/AP;數字錄像機(DVR);便攜式媒體播放器(PMP);電纜調制解調器/XDSL;通用
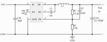
•典型應用電路:

Copyright ? 2015-2023 紹興宇力半導體有限公司
浙公網安備33060202001577
浙ICP備2020037221號-1
技術支持:藍韻網絡